MICRO3™ Blade Fuses Rated 32V
The MICRO3™ Fuse has 3 terminals and 2 fuse elements with a common center terminal.
Its sub-miniature design meets the need for more circuits to be protected while utilizing less space and its ability to cope with high temperatures in adverse environments makes the MICRO3™ Fuse of recommended choice for protection.
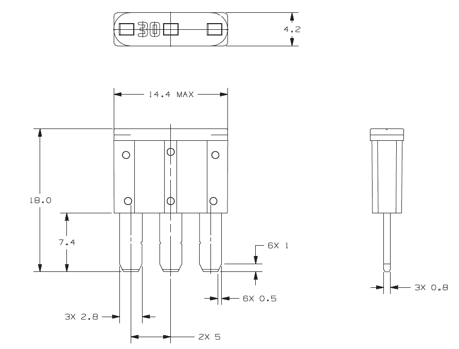
Physical view

Dimensions in mm

Time-Current Characteristics
% of Rating | Opening Time (Min / Max) |
110 | 100 h / – |
135 | 0.75 sec / 120 sec |
160 | 0.30 sec / 50 sec |
200 | 0.15 sec / 5 sec |
350 | 0.04 sec / 0.50 sec |
600 | 0.02 sec / 0.100sec |
Ratings
Part Number | Current Rating (A) | Housing Material Color | Typ. Voltage Drop (mV) | Cold Resistance (mΩ) | I2t (A2s) |
0337005._ | 5 | Orange | 116 | 17.4 | 17 |
033707.5_ | 7.5 | Tan | 106 | 10.8 | 47 |
0337010._ | 10 | Red | 102 | 7.8 | 89 |
0337015._ | 15 | Blue | 94 | 4.9 | 189 |
Time-Current Characteristic Curves

Temperature Rerating Curve


<
<
<

客服1